Pojistný třmenový kroužek černý DIN 6799 - 9,0 x 1,10
Kód: 40300027
DORUČENÍ ZDARMA
objednávky nad 2500,- Kč
Detailní popis produktu
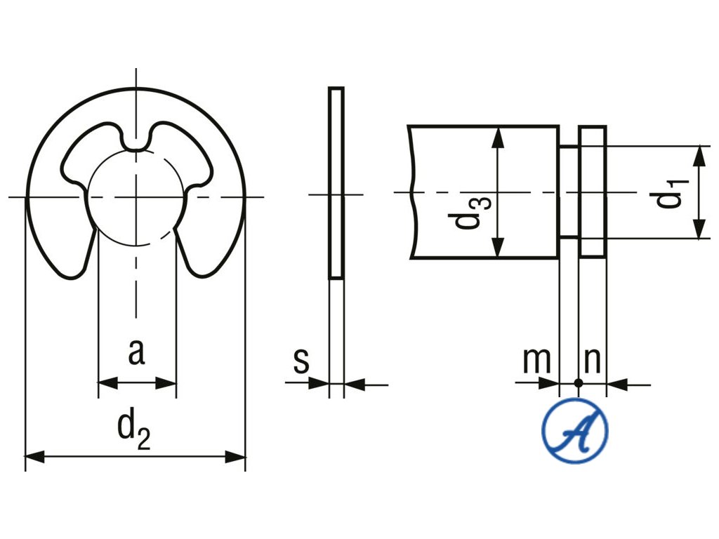
Třmenové pojistné kroužky DIN 6799
Pojistné třmenové kroužky určené pro hřídele s drážkou, správná velikost pojistného kroužku odpovídá jmenovitému průměru drážky d1, do které je kroužek namontován.
Pojistné kroužky DIN 6799 jsou pojistné prvky pro axiální montáž pro hřídele s univerzálním použitím. Jsou určené pro přenos axiálních sil mezi strojním prvkem (např. valivým ložiskem) a drážkou, do které je kroužek namontován.
Doplňkové parametry
| Kategorie: | Třmenové pojistné kroužky |
|---|---|
| EAN: | 240381 |
| vnitřní průměr (mm): | 9 |
| šířka (mm): | 1.1 |
| materiál: | ocel |
Diskuze
Buďte první, kdo napíše příspěvek k této položce.


